威爾科H200系列小型矢量變頻器低頻扭矩大,0.5Hz力矩輸出達150%,自動節能運行,根據負載變化自動調節V/F曲線,可靠的速度追蹤功能,自動識別電機的速度和運行方向。
產品特點
◆ 低頻扭矩大,0.5Hz力矩輸出達150%
◆ 電網瞬時掉電不停機,確保安全運行
◆ 自動節能運行,根據負載變化自動調節V/F曲線
◆ 可靠的速度追蹤功能,自動識別電機的速度和運行方向
◆ 標準化機箱設計,安裝尺寸更通用
行業應用
廣泛應用于減速機、輸送線、印刷機械、紡織機械、拉絲機械、數控機床、扶梯、攪拌機械、小型風機、泵類等。
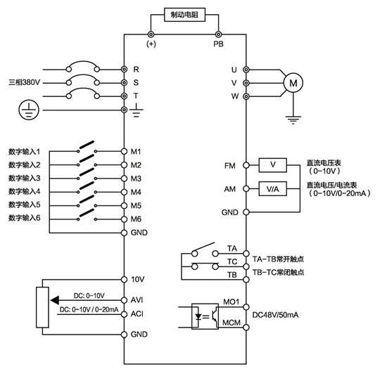
標準接線圖

泰興市威爾科傳動機械有限公司
服務熱線:0523-87419799
移動電話:18052699133
聯 系 人:顧大成
電子郵箱:szdjcd@126.com
官方網站:www.988979.com
公司地址:泰興市虹橋鎮閘東路46號
© 2014 版權所有:泰興市威爾科傳動機械有限公司 All Right Received
服務熱線:0523-87419799 手機號碼:18052699133(顧大成)
官方網站:www.988979.com 電子郵箱:szdjcd@126.com
蘇ICP備14053925號-1 技術支持:菲爾斯網絡